National standard
聯系APAS / Contact us
- 地址:天津市西青經濟技術開發區賽達國際工業城A3-2.
- 郵箱:lxc@apas.com.cn
- 電話:022-87920088
- 傳真:請聯系網絡管理員
- 郵編:300385
- 咨詢熱線:13702119190(24小時服務熱線)
擠壓鋁型材尺寸公差GB/T標準
1:范圍
本標準規定了擠壓鋁型材尺寸偏差(包括橫截面尺寸偏差、曲面間隙、平面間隙、彎曲度、扭擰度、切斜度、長度偏差)要求及其檢測方法;
	
2:屬于和定義
下列術語和定制適用于本內容;
	
2.1外接圓 circumscribing circle
能夠將鋁型材橫截面完全包圍的最小的圓,如下圖所示;
 
 
3分類、分級
	
3.1鋁型材分類
鋁及擠壓鋁型材按成分分為兩類,如下表所示:
| 
					牌號系別
				 | 
					鋁型材類別
				 | 
					鋁型材典型牌號
				 | ||
| 
					Ⅰ類
				 | 
					Ⅱ類
				 | 
					Ⅰ類鋁型材典型牌號
				 | 
					Ⅱ類鋁型材典型牌號
				 | |
| 
					1×××
				 | 
					所有
				 | 
					-
				 | 
					1050A、1060、1100、1200、1350
				 | 
					-
				 | 
| 
					2×××
				 | 
					-
				 | 
					所有
				 | 
					-
				 | 
					2A11、2A12、2017、2017A、2014、2014A、2024
				 | 
| 
					3×××
				 | 
					所有
				 | 
					-
				 | 
					3A21、3003、3102、3103
				 | 
					-
				 | 
| 
					4×××
				 | 
					所有
				 | 
					-
				 | 
					-
				 | 
					-
				 | 
| 
					5×××
				 | 
					Mg含量的平均值小于4.0%
				 | 
					Mg含量的平均值不小于4.0%
				 | 
					5A02、5A03、5005、5005A、5051A、5049、5251、5052、5154A、5454、5754
				 | 
					5A05、5A06、5019、5083、5086
				 | 
| 
					6×××
				 | 
					所有
				 | 
					-
				 | 
					6A02、6101A、6101B、6005、6005A、6106、6008、6110A、6014、6351、6060、6360、6061、6261、6262、6262A、6063、6063A、6463、6463A、6065、6081、6082
				 | 
					-
				 | 
| 
					7×××
				 | 
					-
				 | 
					所有
				 | 
					-
				 | 
					7A04、7003、7005、7108、7108A、7020、7021、7022、7049A、7075、7178
				 | 
3.2偏差分級
鋁型材尺寸偏差等級如下表所示:
| 
					偏差項目
				 | 
					偏差等級
				 | |
| 
					橫截面a,b
				 | 
					壁厚尺寸偏差
				 | 
					普通級、高精級、超高精級
				 | 
| 
					非壁厚尺寸偏差
				 | 
					普通級、高精級、超高精級
				 | |
| 
					角度偏差a
				 | 
					普通級、高精級、超高精級
				 | |
| 
					倒角半徑及圓角半徑偏差a
				 | 
					不分級
				 | |
| 
					曲面間隙
				 | 
					不分級
				 | |
| 
					平面間隙a
				 | 
					普通級、高精級、超高精級
				 | |
| 
					彎曲度a
				 | 
					縱向彎曲度
				 | 
					普通級、高精級、超高精級
				 | 
| 
					縱向波浪度(或硬度)
				 | 
					普通級、高精級、超高精級
				 | |
| 
					縱向側彎度
				 | 
					不分級
				 | |
| 
					扭擰度a
				 | 
					普通級、高精級、超高精級
				 | |
| 
					切斜度a
				 | 
					普通級、高精級、超高精級
				 | |
| 
					長度偏差a
				 | 
					不分級
				 | |
a當鋁型材標準或圖樣上對尺寸偏差另有規定時,鋁型材的尺寸偏差按產品標準或圖樣上的規定執行,若產品標準或圖樣上未規定尺寸偏差,鋁型材的尺寸偏差按本標準執行;
	b圖樣上未標注偏差且不能直接測量的橫截面尺寸偏差不檢測;
  
4尺寸偏差要求
	
4.1橫截面尺寸偏差
4.1.1壁厚尺寸
	4.1.1.1壁厚尺寸分為A、B、C三組,如下圖所示:
 
 
 
說明:
A—翅壁壁厚;
B—封閉空腔周壁壁厚;
C—兩個封閉空腔間的隔斷壁厚;
H—非壁厚尺寸;
E—對開口部位的H尺寸偏差有重要影響的基準尺寸;
	
4.1.1.2 ?Ⅰ類鋁型材壁厚尺寸偏差應符合下面表格規定;需要高精級或超高精級時,應在訂貨單(或合同)中注明,且將偏差值標注在圖樣上,未注明時按普通級供貨;
| 
					級別
				 | 
					公稱壁厚mm
				 | 
					對應于下列外接圓直徑的鋁型材壁厚尺寸允許偏差a,b,c,d,e,f,g/mm
				 | |||||||||||
| 
					≤100.00
				 | 
					>100.00~300.00
				 | 
					>300.00~500.00
				 | 
					>500.00~1000.00
				 | ||||||||||
| 
					A組
				 | 
					B組
				 | 
					C組
				 | 
					A組
				 | 
					B組
				 | 
					C組
				 | 
					A組
				 | 
					B組
				 | 
					C組
				 | 
					A組
				 | 
					B組
				 | 
					C組
				 | ||
| 
					普通級
				 | 
					≤1.50
				 | 
					±0.23
				 | 
					±0.30
				 | 
					±0.38
				 | 
					±0.30
				 | 
					±0.45
				 | 
					±0.53
				 | 
					±0.38
				 | 
					-
				 | 
					-
				 | 
					-
				 | 
					-
				 | 
					-
				 | 
| 
					>1.50~3.00
				 | 
					±0.23
				 | 
					±0.38
				 | 
					±0.45
				 | 
					±0.38
				 | 
					±0.60
				 | 
					±0.75
				 | 
					±0.53
				 | 
					±0.90
				 | 
					±1.13
				 | 
					±0.60
				 | 
					±1.20
				 | 
					±1.50
				 | |
| 
					>3.00~6.00
				 | 
					±0.30
				 | 
					±0.60
				 | 
					±0.75
				 | 
					±0.45
				 | 
					±0.90
				 | 
					±1.13
				 | 
					±0.60
				 | 
					±1.20
				 | 
					±1.50
				 | 
					±0.75
				 | 
					±1.50
				 | 
					±1.80
				 | |
| 
					>6.00~10.00
				 | 
					±0.38
				 | 
					±0.90
				 | 
					±1.13
				 | 
					±0.53
				 | 
					±1.20
				 | 
					±1.50
				 | 
					±0.68
				 | 
					±1.50
				 | 
					±1.80
				 | 
					±0.83
				 | 
					±1.80
				 | 
					±2.25
				 | |
| 
					>10.00~15.00
				 | 
					±0.45
				 | 
					±1.20
				 | 
					±1.50
				 | 
					±0.60
				 | 
					±1.50
				 | 
					±1.82
				 | 
					±0.75
				 | 
					±1.80
				 | 
					±2.25
				 | 
					±0.90
				 | 
					±2.25
				 | 
					±2.85
				 | |
| 
					>15.00~20.00
				 | 
					±0.53
				 | 
					±1.80
				 | 
					±2.25
				 | 
					±0.68
				 | 
					±2.25
				 | 
					±2.85
				 | 
					±0.83
				 | 
					±2.55
				 | 
					±3.00
				 | 
					±0.98
				 | 
					±3.00
				 | 
					±3.75
				 | |
| 
					>20.00~30.00
				 | 
					±0.60
				 | 
					±2.25
				 | 
					±2.85
				 | 
					±0.75
				 | 
					±2.70
				 | 
					±3.30
				 | 
					±0.90
				 | 
					±3.00
				 | 
					±3.75
				 | 
					±1.05
				 | 
					±3.75
				 | 
					±4.50
				 | |
| 
					>30.00~40.00
				 | 
					±0.68
				 | 
					-
				 | 
					-
				 | 
					±0.90
				 | 
					±3.00
				 | 
					±3.75
				 | 
					±1.05
				 | 
					±3.30
				 | 
					±4.05
				 | 
					±1.20
				 | 
					±4.05
				 | 
					±4.95
				 | |
| 
					>40.00~50.00
				 | 
					-
				 | 
					-
				 | 
					-
				 | 
					±1.05
				 | 
					-
				 | 
					-
				 | 
					±1.20
				 | 
					-
				 | 
					-
				 | 
					±1.35
				 | 
					-
				 | 
					-
				 | |
| 
					高精級
				 | 
					≤1.50
				 | 
					±0.15
				 | 
					±0.20
				 | 
					±0.25
				 | 
					±0.20
				 | 
					±0.30
				 | 
					±0.35
				 | 
					±0.25
				 | 
					-
				 | 
					-
				 | 
					-
				 | 
					-
				 | 
					-
				 | 
| 
					>1.50~3.00
				 | 
					±0.15
				 | 
					±0.25
				 | 
					±0.30
				 | 
					±0.25
				 | 
					±0.40
				 | 
					±0.50
				 | 
					±0.35
				 | 
					±0.60
				 | 
					±0.75
				 | 
					±0.40
				 | 
					±0.80
				 | 
					±1.00
				 | |
| 
					>3.00~6.00
				 | 
					±0.20
				 | 
					±0.40
				 | 
					±0.50
				 | 
					±0.30
				 | 
					±0.60
				 | 
					±0.75
				 | 
					±0.40
				 | 
					±0.80
				 | 
					±1.00
				 | 
					±0.50
				 | 
					±1.00
				 | 
					±1.20
				 | |
| 
					>6.00~10.00
				 | 
					±0.25
				 | 
					±0.60
				 | 
					±0.75
				 | 
					±0.35
				 | 
					±0.80
				 | 
					±1.00
				 | 
					±0.45
				 | 
					±1.00
				 | 
					±1.20
				 | 
					±0.55
				 | 
					±1.20
				 | 
					±1.50
				 | |
| 
					>10.00~15.00
				 | 
					±0.30
				 | 
					±0.80
				 | 
					±1.00
				 | 
					±0.40
				 | 
					±1.00
				 | 
					±1.20
				 | 
					±0.50
				 | 
					±1.20
				 | 
					±1.50
				 | 
					±0.60
				 | 
					±1.50
				 | 
					±1.90
				 | |
| 
					>15.00~20.00
				 | 
					±0.35
				 | 
					±1.20
				 | 
					±1.50
				 | 
					±0.45
				 | 
					±1.50
				 | 
					±1.90
				 | 
					±0.55
				 | 
					±1.70
				 | 
					±2.00
				 | 
					±0.65
				 | 
					±2.00
				 | 
					±2.50
				 | |
| 
					>20.00~30.00
				 | 
					±0.40
				 | 
					±1.50
				 | 
					±1.90
				 | 
					±0.50
				 | 
					±1.80
				 | 
					±2.20
				 | 
					±0.60
				 | 
					±2.00
				 | 
					±2.50
				 | 
					±0.70
				 | 
					±2.50
				 | 
					±3.00
				 | |
| 
					>30.00~40.00
				 | 
					±0.45
				 | 
					-
				 | 
					-
				 | 
					±0.60
				 | 
					±2.00
				 | 
					±2.50
				 | 
					±0.70
				 | 
					±2.20
				 | 
					±2.70
				 | 
					±0.80
				 | 
					±2.70
				 | 
					±3.30
				 | |
| 
					>40.00~50.00
				 | 
					-
				 | 
					-
				 | 
					-
				 | 
					±0.70
				 | 
					-
				 | 
					-
				 | 
					±0.80
				 | 
					-
				 | 
					-
				 | 
					±0.90
				 | 
					-
				 | 
					-
				 | |
| 
					超高精極
				 | 
					≤1.50
				 | 
					±0.10
				 | 
					±0.13
				 | 
					±0.17
				 | 
					±0.13
				 | 
					±0.20
				 | 
					±0.23
				 | 
					±0.17
				 | 
					-
				 | 
					-
				 | 
					-
				 | 
					-
				 | 
					-
				 | 
| 
					>1.50~3.00
				 | 
					±0.10
				 | 
					±0.17
				 | 
					±0.20
				 | 
					±0.15
				 | 
					±0.25
				 | 
					±0.28
				 | 
					±0.23
				 | 
					±0.38
				 | 
					±0.40
				 | 
					±0.27
				 | 
					±0.40
				 | 
					±0.45
				 | |
| 
					>3.00~6.00
				 | 
					±0.13
				 | 
					±0.27
				 | 
					±0.33
				 | 
					±0.18
				 | 
					±0.40
				 | 
					±0.50
				 | 
					±0.27
				 | 
					±0.53
				 | 
					±0.67
				 | 
					±0.33
				 | 
					±0.67
				 | 
					±0.80
				 | |
| 
					>6.00~10.00
				 | 
					±0.17
				 | 
					±0.40
				 | 
					±0.50
				 | 
					±0.20
				 | 
					±0.53
				 | 
					±0.67
				 | 
					±0.30
				 | 
					±0.67
				 | 
					±0.80
				 | 
					±0.37
				 | 
					±0.80
				 | 
					±1.00
				 | |
| 
					>10.00~15.00
				 | 
					±0.19
				 | 
					±0.53
				 | 
					±0.67
				 | 
					±0.20
				 | 
					±0.67
				 | 
					±0.80
				 | 
					±0.33
				 | 
					±0.80
				 | 
					±1.00
				 | 
					±0.40
				 | 
					±1.00
				 | 
					±1.27
				 | |
| 
					>15.00~20.00
				 | 
					±0.21
				 | 
					±0.80
				 | 
					±1.00
				 | 
					±0.23
				 | 
					±1.00
				 | 
					±1.27
				 | 
					±0.37
				 | 
					±1.13
				 | 
					±1.33
				 | 
					±0.43
				 | 
					±1.33
				 | 
					±1.67
				 | |
| 
					>20.00~30.00
				 | 
					±0.23
				 | 
					±1.00
				 | 
					±1.27
				 | 
					±0.25
				 | 
					±1.20
				 | 
					±1.47
				 | 
					±0.40
				 | 
					±1.33
				 | 
					±1.67
				 | 
					±0.46
				 | 
					±1.67
				 | 
					±2.00
				 | |
| 
					>30.00~40.00
				 | 
					±0.25
				 | 
					-
				 | 
					-
				 | 
					±0.30
				 | 
					±1.33
				 | 
					±1.67
				 | 
					±0.47
				 | 
					±1.47
				 | 
					±1.80
				 | 
					±0.48
				 | 
					±1.80
				 | 
					±2.20
				 | |
| 
					>40.00~50.00
				 | 
					-
				 | 
					-
				 | 
					-
				 | 
					±0.36
				 | 
					-
				 | 
					-
				 | 
					±0.53
				 | 
					-
				 | 
					-
				 | 
					±0.60
				 | 
					-
				 | 
					-
				 | |
	
a當偏差不采用對稱的“±”偏差時,則正、負偏差的絕對值之和應為上表中對應數值的兩倍; 
b表中無數值處表示偏差不要求;
c含封閉空腔的空心鋁型材(如圖3~5),若空腔兩對邊厚度不相等,且厚邊壁厚大于或等于其對邊壁厚的3倍,其壁厚允許偏差由供需雙方商定;
d含封閉空腔的空心鋁型材(如圖3~5),所包圍的空腔截面積小于70mm2時,若空腔兩對邊壁厚相等,其空腔壁厚的允許偏差采用A組;若空腔兩邊對壁厚不相等,且厚邊壁厚小于其對邊壁厚的3倍,其任一邊壁厚的允許偏差采用兩對邊平均壁厚對應的A組;
e含封閉空腔的空心鋁型材(如圖3~5),所包含的空腔截面積不小于70mm2時,若空腔兩對邊壁厚相等,其空腔壁厚的允許偏差采用B組;若空腔兩對邊壁厚不相等,且厚邊壁厚小于其對邊壁厚的3倍,其任一邊壁厚的允許偏差采用兩對邊平均壁厚對應的B組;
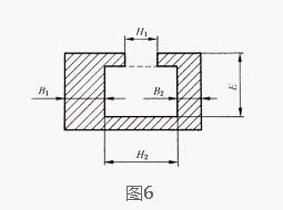
f含不完全封閉空腔的半空心鋁型材(如圖6~7),當所包圍空腔截面積小于豁口尺寸(H1)平方的2倍(即2H12)時,其空腔周壁壁厚的允許偏差采用A組;當所包圍空腔截面積不小于豁口尺寸(H1)平方的2倍(即2H12)時,采用含封閉空腔的空心鋁型材的壁厚偏差;
	g通過芯棒生產的鋁型材,B組應采用C組壁厚允許偏差值;
  
4.1.1.3 Ⅱ類鋁型材的壁厚尺寸偏差應符合下表所示規定;需要高精級或超高精級時,應在訂貨單(或合同)中注明,且將偏差值標注在圖樣上,未注明時按普通級供貨;
| 
					級別
				 | 
					公稱壁厚mm
				 | 
					對應于下列外接圓直徑的鋁型材壁厚尺寸允許偏差a,b,c,d,e,f,g/mm
				 | |||||||||||
| 
					≤100.00
				 | 
					>100.00~300.00
				 | 
					>300.00~500.00
				 | 
					>500.00~1000.00
				 | ||||||||||
| 
					A組
				 | 
					B組
				 | 
					C組
				 | 
					A組
				 | 
					B組
				 | 
					C組
				 | 
					A組
				 | 
					B組
				 | 
					C組
				 | 
					A組
				 | 
					B組
				 | 
					C組
				 | ||
| 
					普通級
				 | 
					≤1.50
				 | 
					±0.30
				 | 
					±0.45
				 | 
					±0.53
				 | 
					±0.38
				 | 
					±0.60
				 | 
					±0.75
				 | 
					±0.53
				 | 
					-
				 | 
					-
				 | 
					-
				 | 
					-
				 | 
					-
				 | 
| 
					>1.50~3.00
				 | 
					±0.38
				 | 
					±0.53
				 | 
					±0.68
				 | 
					±0.45
				 | 
					±0.75
				 | 
					±0.98
				 | 
					±0.68
				 | 
					±1.05
				 | 
					±1.35
				 | 
					±0.75
				 | 
					±1.35
				 | 
					±1.80
				 | |
| 
					>3.00~6.00
				 | 
					±0.45
				 | 
					±0.82
				 | 
					±0.90
				 | 
					±0.53
				 | 
					±1.05
				 | 
					±1.35
				 | 
					±0.90
				 | 
					±1.35
				 | 
					±1.80
				 | 
					±0.90
				 | 
					±1.50
				 | 
					±1.95
				 | |
| 
					>6.00~10.00
				 | 
					±0.53
				 | 
					±1.13
				 | 
					±1.50
				 | 
					±0.68
				 | 
					±1.50
				 | 
					±1.95
				 | 
					±0.98
				 | 
					±1.80
				 | 
					±2.25
				 | 
					±1.05
				 | 
					±2.25
				 | 
					±2.85
				 | |
| 
					>10.00~15.00
				 | 
					±0.60
				 | 
					±1.50
				 | 
					±1.95
				 | 
					±0.75
				 | 
					±1.95
				 | 
					±2.55
				 | 
					±1.05
				 | 
					±2.25
				 | 
					±2.85
				 | 
					±1.20
				 | 
					±2.70
				 | 
					±3.45
				 | |
| 
					>15.00~20.00
				 | 
					±0.68
				 | 
					±2.25
				 | 
					±2.85
				 | 
					±0.83
				 | 
					±2.70
				 | 
					±3.30
				 | 
					±1.12
				 | 
					±3.00
				 | 
					±3.75
				 | 
					±1.28
				 | 
					±3.75
				 | 
					±4.65
				 | |
| 
					>20.00~30.00
				 | 
					±0.75
				 | 
					±2.70
				 | 
					±3.30
				 | 
					±0.90
				 | 
					±3.30
				 | 
					±4.05
				 | 
					±1.20
				 | 
					±2.75
				 | 
					±4.65
				 | 
					±1.35
				 | 
					±4.50
				 | 
					±5.55
				 | |
| 
					>30.00~40.00
				 | 
					±0.90
				 | 
					-
				 | 
					-
				 | 
					±1.05
				 | 
					±3.75
				 | 
					-
				 | 
					±1.35
				 | 
					±4.50
				 | 
					-
				 | 
					±1.50
				 | 
					±4.80
				 | 
					-
				 | |
| 
					>40.00~50.00
				 | 
					-
				 | 
					-
				 | 
					-
				 | 
					±1.20
				 | 
					-
				 | 
					-
				 | 
					±1.50
				 | 
					-
				 | 
					-
				 | 
					±1.65
				 | 
					-
				 | 
					-
				 | |
| 
					高精級
				 | 
					≤1.50
				 | 
					±0.20
				 | 
					±0.30
				 | 
					±0.35
				 | 
					±0.25
				 | 
					±0.40
				 | 
					±0.50
				 | 
					±0.35
				 | 
					-
				 | 
					-
				 | 
					-
				 | 
					-
				 | 
					-
				 | 
| 
					>1.50~3.00
				 | 
					±0.25
				 | 
					±0.35
				 | 
					±0.45
				 | 
					±0.30
				 | 
					±0.50
				 | 
					±0.65
				 | 
					±0.45
				 | 
					±0.70
				 | 
					±0.90
				 | 
					±0.50
				 | 
					±0.90
				 | 
					±1.20
				 | |
| 
					>3.00~6.00
				 | 
					±0.30
				 | 
					±0.55
				 | 
					±0.60
				 | 
					±0.35
				 | 
					±0.70
				 | 
					±0.90
				 | 
					±0.60
				 | 
					±0.90
				 | 
					±1.20
				 | 
					±0.60
				 | 
					±1.00
				 | 
					±1.30
				 | |
| 
					>6.00~10.00
				 | 
					±0.35
				 | 
					±0.75
				 | 
					±1.00
				 | 
					±0.45
				 | 
					±1.00
				 | 
					±1.30
				 | 
					±0.65
				 | 
					±1.20
				 | 
					±1.50
				 | 
					±0.70
				 | 
					±0.50
				 | 
					±1.90
				 | |
| 
					>10.00~15.00
				 | 
					±0.40
				 | 
					±1.00
				 | 
					±1.30
				 | 
					±0.50
				 | 
					±1.30
				 | 
					±1.70
				 | 
					±0.70
				 | 
					±1.50
				 | 
					±1.90
				 | 
					±0.80
				 | 
					±1.80
				 | 
					±2.30
				 | |
| 
					>15.00~20.00
				 | 
					±0.45
				 | 
					±1.50
				 | 
					±1.90
				 | 
					±0.55
				 | 
					±1.80
				 | 
					±2.20
				 | 
					±0.75
				 | 
					±2.00
				 | 
					±2.30
				 | 
					±0.85
				 | 
					±2.50
				 | 
					±3.10
				 | |
| 
					>20.00~30.00
				 | 
					±0.50
				 | 
					±1.80
				 | 
					±2.20
				 | 
					±0.60
				 | 
					±2.20
				 | 
					±2.70
				 | 
					±0.80
				 | 
					±2.50
				 | 
					±3.10
				 | 
					±0.90
				 | 
					±3.00
				 | 
					±3.70
				 | |
| 
					>30.00~40.00
				 | 
					±0.60
				 | 
					-
				 | 
					-
				 | 
					±0.70
				 | 
					±2.50
				 | 
					-
				 | 
					±0.90
				 | 
					±3.00
				 | 
					-
				 | 
					±1.00
				 | 
					±3.20
				 | 
					-
				 | |
| 
					>40.00~50.00
				 | 
					-
				 | 
					-
				 | 
					-
				 | 
					±0.80
				 | 
					-
				 | 
					-
				 | 
					±1.00
				 | 
					-
				 | 
					-
				 | 
					±1.10
				 | 
					-
				 | 
					-
				 | |
| 
					超高精極
				 | 
					≤1.50
				 | 
					±0.13
				 | 
					±0.20
				 | 
					±0.23
				 | 
					±0.15
				 | 
					±0.23
				 | 
					±0.25
				 | 
					±0.30
				 | 
					-
				 | 
					-
				 | 
					-
				 | 
					-
				 | 
					-
				 | 
| 
					>1.50~3.00
				 | 
					±0.13
				 | 
					±0.23
				 | 
					±0.28
				 | 
					±0.15
				 | 
					±0.28
				 | 
					±0.30
				 | 
					±0.30
				 | 
					±0.38
				 | 
					±0.40
				 | 
					±0.35
				 | 
					±0.40
				 | 
					±0.45
				 | |
| 
					>3.00~6.00
				 | 
					±0.15
				 | 
					±0.37
				 | 
					±0.40
				 | 
					±0.18
				 | 
					±0.47
				 | 
					±0.60
				 | 
					±0.35
				 | 
					±0.60
				 | 
					±0.80
				 | 
					±0.38
				 | 
					±0.67
				 | 
					±0.87
				 | |
| 
					>6.00~10.00
				 | 
					±0.17
				 | 
					±0.50
				 | 
					±0.67
				 | 
					±0.20
				 | 
					±0.67
				 | 
					±0.87
				 | 
					±0.38
				 | 
					±0.80
				 | 
					±1.00
				 | 
					±0.41
				 | 
					±1.00
				 | 
					±1.27
				 | |
| 
					>10.00~15.00
				 | 
					±0.19
				 | 
					±0.67
				 | 
					±0.87
				 | 
					±0.20
				 | 
					±0.87
				 | 
					±1.13
				 | 
					±0.40
				 | 
					±1.00
				 | 
					±1.27
				 | 
					±0.41
				 | 
					±1.20
				 | 
					±1.53
				 | |
| 
					>15.00~20.00
				 | 
					±0.21
				 | 
					±1.00
				 | 
					±1.27
				 | 
					±0.23
				 | 
					±1.20
				 | 
					±1.47
				 | 
					±0.41
				 | 
					±1.33
				 | 
					±1.67
				 | 
					±0.43
				 | 
					±1.67
				 | 
					±2.07
				 | |
| 
					>20.00~30.00
				 | 
					±0.23
				 | 
					±1.20
				 | 
					±1.47
				 | 
					±0.25
				 | 
					±1.47
				 | 
					±1.50
				 | 
					±0.43
				 | 
					±1.67
				 | 
					±2.07
				 | 
					±0.46
				 | 
					±2.00
				 | 
					±2.30
				 | |
| 
					>30.00~40.00
				 | 
					±0.25
				 | 
					-
				 | 
					-
				 | 
					±0.30
				 | 
					±1.50
				 | 
					-
				 | 
					±0.45
				 | 
					±2.00
				 | 
					-
				 | 
					±0.48
				 | 
					±2.13
				 | 
					-
				 | |
| 
					>40.00~50.00
				 | 
					-
				 | 
					-
				 | 
					-
				 | 
					±0.36
				 | 
					-
				 | 
					-
				 | 
					±0.50
				 | 
					-
				 | 
					-
				 | 
					±0.60
				 | 
					-
				 | 
					-
				 | |
a當偏差不采用對稱的“±”偏差時,則正、負偏差的絕對值之和應為上表中對應數值的兩倍;
b表中無數值處表示偏差不要求;
c含封閉空腔的空心鋁型材(如圖3~5),若空腔兩對邊壁厚不相等,且厚邊壁厚大于或等于其對邊壁厚的3倍,其壁厚允許偏差由供需雙方商定;
d含封閉空腔的空心鋁型材(如圖3~5),所包圍的空腔截面積小于70mm2時,若空腔兩對邊壁厚相等,其空腔壁厚的允許偏差采用A組;若空腔兩對邊壁厚不相等,且厚邊壁厚小于其對邊壁厚的3倍,其任一邊壁厚的允許偏差采用兩對邊平均壁厚對應的A組;
e含封閉空腔的空心鋁型材(如圖3~5),所包圍的空腔截面積不小于70mm2時,若空腔兩對邊壁厚相等,其空腔壁厚的允許偏差采用B組;若空腔兩對邊壁厚不相等,且厚邊壁厚小于其對邊壁厚的3倍,其任一邊壁厚的允許偏差采用兩對邊平均壁厚對應的B組;
f含不完全封閉空腔的半空心鋁型材(如圖6~7),當所包圍空腔截面積小于豁口尺寸(H1)平方的2倍(即2H12)時,其空腔周壁壁厚的允許偏差采用A組;當所包圍空腔截面積不小于豁口尺寸(H1)平方的2倍(即2H12)時,采用含封閉空腔的空心鋁型材的壁厚偏差;
	g通過芯棒生產的鋁型材,B組應采用C組壁厚允許偏差值;
  
	
4.1.2非壁厚尺寸 
非壁厚尺寸(如圖3~14所示鋁型材的H、H1、H2),按其包含的實體金屬百分比,劃分為兩組:實體金屬部分不小于75%(簡稱實體不小于75%)的尺寸和實體金屬部分小于75%(簡稱實體小于75%)的尺寸;
|     | 
|     | 
|     | 
|     | 
4.1.3角度偏差
圖樣上標注有角度標注偏差,且能直接測量的角度,其角度允許偏差應符合下表所示的規定;需要高精級或超高精級時,應在訂貨單(或合同)中注明,且將偏差值標注在圖樣上,未注明時按普通級供貨;
| 
					鋁型材類別
				 | 
					角度允許偏差a
				 | ||
| 
					普通級
				 | 
					高精級
				 | 
					超高精級
				 | |
| 
					Ⅰ類
				 | 
					±2.0°
				 | 
					±1.0°
				 | 
					±0.5°
				 | 
| 
					Ⅱ類
				 | ±2.5° | 
					±1.5°
				 | 
					±1.0°
				 | 
	a當偏差不采用對稱的“±”偏差時,則正、負偏差的絕對值之和應為表中對應數值的兩倍;
  
	
4.1.4倒角半徑r及圓角半徑R 
4.1.4.1鋁型材橫截面上的倒角(或過度圓角)半徑r及圓角半徑R如下圖所示:
 
 
4.1.4.2鋁型材圖樣上標注有倒角半徑“r”字樣時,倒角半徑r應符合下表所示的規定;不同于下表規定時,應將倒角半徑要求標注在圖樣上;
| 
					壁厚
				 | 
					倒角半徑r不大于
				 | |
| 
					Ⅰ類鋁型材
				 | 
					Ⅱ類鋁型材
				 | |
| 
					≤3.00
				 | 
					0.5
				 | 
					0.6
				 | 
| 
					>3.00~6.00
				 | 
					0.6
				 | 
					0.8
				 | 
| 
					>6.00~10.00
				 | 
					0.8
				 | 
					1.0
				 | 
| 
					>10.00~50.00
				 | 
					1.0
				 | 
					1.0
				 | 
	4.1.4.3鋁型材圖樣上標注有圓角半徑R值時,圓角半徑R的允許偏差應符合下表的規定;不同于下表規定時,應將偏差值標注在圖樣上;
 
| 
					圓角半徑R
				 | 
					圓角半徑的允許偏差a
				 | 
| 
					≤5.0
				 | 
					±0.5
				 | 
| 
					>5.0
				 | 
					±10%R
				 | 
	a當偏差不采用對稱的“±”偏差時,則正、負偏差的絕對值之和應為表中對應數值的兩倍;
 
4.2曲面間隙
鋁型材對曲面間隙有要求時,應供需雙方協商曲面弧樣板,鋁型材曲面間隙應符合下表的規定或在圖樣上注明;
| 
					曲面弦長
				 | 
					鋁型材的曲面間隙值
				 | 
| 
					≤30.00
				 | 
					≤0.3
				 | 
| 
					>30.00~60.00
				 | 
					≤0.5
				 | 
| 
					>60.00~90.00
				 | 
					≤0.7
				 | 
| 
					>90.00~120.00
				 | 
					≤1.0
				 | 
| 
					>120.00~150.00
				 | 
					≤1.2
				 | 
| 
					>150.00~200.00
				 | 
					≤1.5
				 | 
| 
					>200.00~250.00
				 | 
					≤2.0
				 | 
| 
					>250.00~300.00
				 | 
					≤2.5
				 | 
| 
					>300.00~400.00
				 | 
					≤3.0
				 | 
| 
					>400.00~500.00
				 | 
					≤3.5
				 | 
| 
					>500.00~1000.00
				 | 
					≤4.0
				 | 
4.3平面間隙
鋁型材的平面間隙應符合下表的規定,需要高精級或超高精級時應在圖樣或訂貨單(或合同)中注明,未注明時按普通級供貨;
| 鋁型材公稱寬度W | 
					平面間隙不大于
				 | ||||
| 
					普通級
				 | 
					高精級
				 | 
					超高精級
				 | |||
| 
					含封閉空腔的空心鋁型材(見圖3~圖5),或含不完全封閉空腔的且所包圍空腔截面積不小于豁口尺寸H1平方的2倍(即2H12)的空心鋁型材(見圖6~圖7)
				 | 
					其他鋁型材
				 | ||||
| 
					壁厚≤5.00
				 | 
					壁厚>5.00
				 | ||||
| 
					≤30.00
				 | 
					0.50
				 | 
					0.30
				 | 
					0.20
				 | 
					0.2
				 | 
					0.2
				 | 
| 
					>30.00~60.00
				 | 
					0.80
				 | 
					0.40
				 | 
					0.30
				 | 
					0.30
				 | 
					0.30
				 | 
| 
					>60.00~100.00
				 | 
					1.20
				 | 
					0.60
				 | 
					0.40
				 | 
					0.40
				 | 
					0.40
				 | 
| 
					>100.00~150.00
				 | 
					1.50
				 | 
					0.90
				 | 
					0.60
				 | 
					0.60
				 | 
					0.50
				 | 
| 
					>150.00~200.00
				 | 
					2.30
				 | 
					1.20
				 | 
					0.80
				 | 
					0.80
				 | 
					0.70
				 | 
| 
					>200.00~250.00
				 | 
					3.00
				 | 
					1.60
				 | 
					1.00
				 | 
					1.00
				 | 
					0.85
				 | 
| 
					>250.00~300.00
				 | 
					3.80
				 | 
					1.80
				 | 
					1.20
				 | 
					1.20
				 | 
					1.00
				 | 
| 
					>300.00~400.00
				 | 
					4.50
				 | 
					2.40
				 | 
					1.60
				 | 
					1.60
				 | 
					1.30
				 | 
| 
					>400.00~500.00
				 | 
					6.00
				 | 
					3.00
				 | 
					2.00
				 | 
					2.00
				 | 
					1.70
				 | 
| 
					>500.00~600.00
				 | 
					7.00
				 | 
					3.60
				 | 
					2.40
				 | 
					2.40
				 | 
					2.00
				 | 
| 
					>600.00~1000.00
				 | 
					8.00
				 | 
					4.00
				 | 
					3.00
				 | 
					3.00
				 | 
					2.50
				 | 
| 
					寬度W大于100.00mm時,在任意100.00mm寬度上
				 | 
					1.50
				 | 
					0.70
				 | 
					0.60
				 | 
					0.60
				 | 
					0.50
				 | 
4.4彎曲度
4.4.1縱向彎曲度
	除O、TX510狀態外的其他鋁型材,其縱向彎曲度應符合下表所示的規定,需要高精級或超高精級時應在圖樣或訂貨單(或合同)中注明,未注明時按普通級供貨;O、TX510狀態鋁型材的縱向彎曲度應由供需雙方商定,且在圖樣或訂貨單(或合同)中注明;
 
| 
					外接圓直徑
				 | 
					鋁型材最小公稱壁厚
				 | 
					縱向彎曲度
				 | |||||
| 
					普通級
				 | 
					高精級
				 | 
					超高精級
				 | |||||
| 
					每米長度上
				 | 
					全長(L米)上
				 | 
					每米長度上
				 | 
					全長(L米)上
				 | 
					每米長度上
				 | 
					全長(L米)上
				 | ||
| 
					≤40.00
				 | 
					≤2.50
				 | 
					不檢驗
				 | 
					不檢驗
				 | 
					≤4.0
				 | 
					≤4.0×L
				 | 
					≤2.0
				 | 
					≤2.0×L
				 | 
| 
					>2.50
				 | 
					≤2.0
				 | 
					≤2.0×L
				 | 
					≤1.0
				 | 
					≤1.0×L
				 | 
					≤0.6
				 | 
					≤0.6×L
				 | |
| 
					>40.00~300.00
				 | 
					-
				 | 
					≤2.0
				 | 
					≤2.0×L
				 | 
					≤1.0
				 | 
					≤1.0×L
				 | 
					≤0.6
				 | 
					≤0.6×L
				 | 
| 
					>300.00~1000.00
				 | 
					-
				 | 
					≤2.5
				 | 
					≤2.5×L
				 | 
					≤1.5
				 | 
					≤1.5×L
				 | 
					-
				 | 
					-
				 | 
4.4.2縱向波浪度(或硬彎)
	除O、TX510狀態外的其他鋁型材,其縱向波浪度(或硬彎)應符合下表所示規定,需要高精級或超高精級時應在圖樣或訂貨單(或合同)中注明,未注明時按普通級供貨;O、TX510狀態鋁型材的縱向波浪度(或硬彎)應由供需雙方商定,并在圖樣或訂貨單(或合同)中注明;
 
| 
					外接圓直徑/mm
				 | 
					鋁型材最小公稱壁厚/mm
				 | 
					300mm長度上的波浪高度hs/mm
				 | 
					普通級
				 | 
					高精級
				 | 
					超高精級
				 | 
| 
					≤40.00
				 | ≤2.50 | 
					≤1.0
				 | 
					不檢驗
				 | 
					允許
				 | 
					允許
				 | 
| 
					>1.0~1.3
				 | 
					不檢驗
				 | 
					允許
				 | 
					不允許
				 | ||
| 
					>1.3
				 | 
					不檢驗
				 | 
					不允許
				 | 
					不允許
				 | ||
| 
					>2.50
				 | 
					≤0.3
				 | 
					允許
				 | 
					允許
				 | 
					允許
				 | |
| 
					>0.3~0.5
				 | 
					允許
				 | 
					允許
				 | 
					每2米最多1處
				 | ||
| 
					>0.5
				 | 
					不允許
				 | 
					不允許
				 | 
					不允許
				 | ||
| 
					>40.00~1000.00
				 | 
					-
				 | 
					≤0.3
				 | 
					允許
				 | 
					允許
				 | 
					允許
				 | 
| 
					>0.3~0.5
				 | 
					允許
				 | 
					允許
				 | 
					每2米最多1處
				 | ||
| 
					>0.5~1.0
				 | 
					允許
				 | 
					每米最多1處
				 | 
					不允許
				 | ||
| 
					>1.0~2.0
				 | 
					每米最多1處
				 | 
					不允許
				 | 
					不允許
				 | ||
| 
					>2.0
				 | 
					不允許
				 | 
					不允許
				 | 
					不允許
				 | 
4.4.3縱向側彎度(或刀彎)
楔形鋁型材和帶圓頭的鋁型材,其縱向側彎度在每米長度上不超過4mm,在全長(L米)上不超過4L毫米;對其他鋁型材有縱向側彎度要求時,應供需雙方商定,并在圖樣或訂單上(或合同)中注明;
	
4.5扭擰度
鋁型材的扭擰度應符合下表所示規定,需要高精級或超高精級時應在圖樣或訂貨單(或合同)中注明,未注明時按普通級供貨;
| 
					公稱寬度W
				 | 
					下列長度(L米)上的扭擰度不大于
				 | ||||||||
| 
					<1m
				 | 
					1m~6m
				 | 
					>6m
				 | 
					<1m
				 | 
					1m~6m
				 | 
					>6m
				 | 
					<1m
				 | 
					1m~6m
				 | 
					>6m
				 | |
| 
					普通級
				 | 
					高精級
				 | 
					超高精級
				 | |||||||
| 
					≤30.00
				 | 
					2.0
				 | 
					5.0
				 | 
					5.5
				 | 
					1.2
				 | 
					2.5
				 | 
					3.0
				 | 
					1.0
				 | 
					2.0
				 | 
					2.5
				 | 
| 
					>30.00~50.00
				 | 
					2.5
				 | 
					5.0
				 | 
					6.5
				 | 
					1.5
				 | 
					3.0
				 | 
					4.0
				 | 
					1.0
				 | 
					2.0
				 | 
					3.5
				 | 
| 
					>50.00~100.00
				 | 
					4.0
				 | 
					6.5
				 | 
					13.0
				 | 
					2.0
				 | 
					3.5
				 | 
					5.0
				 | 
					1.0
				 | 
					2.5
				 | 
					4.2
				 | 
| 
					>100.00~200.00
				 | 
					4.5
				 | 
					12.0
				 | 
					15.0
				 | 
					2.5
				 | 
					5.0
				 | 
					7.0
				 | 
					1.2
				 | 
					3.5
				 | 
					5.8
				 | 
| 
					>200.00~300.00
				 | 
					6.0
				 | 
					14.0
				 | 
					21.0
				 | 
					2.5
				 | 
					6.0
				 | 
					8.0
				 | 
					1.8
				 | 
					4.5
				 | 
					6.7
				 | 
| 
					>300.00~450.00
				 | 
					8.0
				 | 
					21.0
				 | 
					31.0
				 | 
					3.0
				 | 
					8.0
				 | 
					1.5×L
				 | 
					2.5
				 | 
					6.5
				 | 
					1.2×L
				 | 
| 
					>450.00~600.00
				 | 
					12.0
				 | 
					31.0
				 | 
					40.0
				 | 
					3.5
				 | 
					9.0
				 | 
					3.0
				 | 
					7.5
				 | ||
| 
					>600.00~1000.00
				 | 
					16.0
				 | 
					40.0
				 | 
					50.0
				 | 
					4.0
				 | 
					10.0
				 | 
					3.5
				 | 
					8.3
				 | ||
4.6切斜度偏差
鋁型材兩端的切斜度應符合下表所示規定,需要高精級或超高精時,應在訂貨單(或合同)中注明,未注明時按普通級供貨;
| 
					項目
				 | 
					普通級
				 | 
					高精級
				 | 
					超高精級
				 | 
| 
					端部切斜度
				 | 
					≤5°
				 | 
					≤3°
				 | 
					≤1°
				 | 
4.7長度允許偏差
	定尺或以倍尺作為定尺交貨的鋁型材,其長度允許偏差為±20mm;對于倍尺鋁型材在訂貨單(或合同)中注明因鋸口增加的鋸口余量(每個鋸口余量為3~5mm)
 
 聯系APAS/ Contact us
聯系APAS/ Contact us聯系電話:022-87920088
企業傳真:(避免惡意廣告)請聯系該企業網絡管理員
服務熱線:13702119190 (24小時服務熱線)
Q Q:534973906
企業郵箱: lxc@apas.com.cn
企業地址:天津市西青經濟技術開發區賽達國際工業城A3-2
 采購意向留言:*  為必填
采購意向留言:*  為必填

 
				 首頁
首頁 
    


 
				 QQ咨詢
QQ咨詢
			 電話聯系
電話聯系
			 聯系電話
聯系電話
					
 在線留言
在線留言
			 樣冊下載
樣冊下載
			 
			 
				