連接件模型
Connector Model
Connector Model
聯系APAS / Contact us
- 地址:天津市西青經濟技術開發區賽達國際工業城A3-2.
- 郵箱:lxc@apas.com.cn
- 電話:022-87920088
- 傳真:請聯系網絡管理員
- 郵編:300385
- 咨詢熱線:13702119190(24小時服務熱線)
連接件模型
/ Connector Model

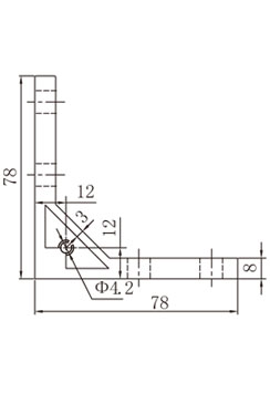
40系列80*規格鋁型材強力角件3d模型
產品描述 / Name
80*規格鋁型材強力角碼主要用于4080/8080等規格型材的90度直角連接組裝,可以下載型材角碼3d數模進行鋁型材框架的設計組裝;
022-87920099
可以根據需求進行設計加工,提供上門安裝服務;可以根據特殊需求進行鋁型材開模定制。
* 免費提供工業鋁型材選型手冊 →點擊咨詢
內容來源:http://m.i98i98.com 作者:武將 發布日期:2020年03月20日 11時31分 閱讀次數:3344 次
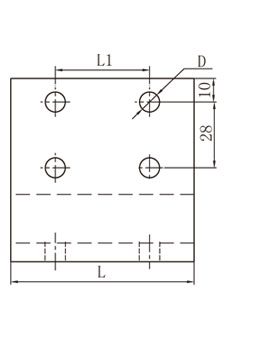
| CE-L7878-4076規格鋁型材強力角件主要應用于80*系列鋁型材90度直角連接,其優勢在于每一側具有4個固定孔,緊固能力強,不易松動;該規格型材角碼適用于高承載、高強度鋁型材框架90度直角連接,穩定性強; |
![]() ![]()
|
| CE-L7878-4076規格鋁型材強力角碼是利用AC-L7878-T8規格角鋁型材進行加工定制,靈活性很強;CE-L7878-4076規格鋁型材角碼最大長度為6m,材質為6063-T6鋁鎂合金材料,表面經過噴砂、陽極氧化處理,具有很強的抗氧化能力,是較為常用的鋁型材框架90度直角連接配件之一; |
|
型材
|
L(mm)
|
D(mm)
|
材質
|
訂貨編號
|
|
80*
|
76
|
φ8.5
|
6063-T5
|
CE-L7878-4076
|
聯系APAS/ Contact us
天津艾普斯工業鋁型材股份有限公司
聯系電話:022-87920088
企業傳真:(避免惡意廣告)請聯系該企業網絡管理員
服務熱線:13702119190 (24小時服務熱線)
Q Q:534973906
企業郵箱: lxc@apas.com.cn
企業地址:天津市西青經濟技術開發區賽達國際工業城A3-2
聯系電話:022-87920088
企業傳真:(避免惡意廣告)請聯系該企業網絡管理員
服務熱線:13702119190 (24小時服務熱線)
Q Q:534973906
企業郵箱: lxc@apas.com.cn
企業地址:天津市西青經濟技術開發區賽達國際工業城A3-2
采購意向留言:* 為必填















QQ咨詢
電話聯系
聯系電話

在線留言
樣冊下載
